产品目录
液体涡轮流量计
液体流量计
水流量计
油流量计
气体涡轮流量计
椭圆齿轮流量计
电磁流量计
涡街流量计
蒸汽流量计
孔板流量计
旋进旋涡流量计
热式气体质量流量计
转子流量计
浮子流量计
靶式流量计
气体流量计
超声波流量计
磁翻板液位计
浮子液位计
浮球液位计
玻璃管液位计
雷达液位计
超声波液位计
投入式液位计
压力变送器
差压变送器
液位变送器
温度变送器
热电偶
热电阻
双金属温度计
推荐产品
联系我们
- 金湖凯铭仪表有限公司
- 联系电话:15195518515
- 在线客服:1464856260
- 电话:0517-86801009
- 传真号码:0517-86801007
- 邮箱:1464856260@qq.com
- 网址:http://www.bhdmvez.cn
- 地址:江苏省金湖县理士大道61号
关于柴油流量表的优点与在原油贸易计量中应用
发布时间:2021-01-09 16:42:53??点击次数:2367次
柴油流量表是一种精密流量测量仪表,与相应的流量积算仪表配套可用于测量液体的流量和总量。与定量控制仪配套使用,可以对液体加料进行高精度定量控制。广泛用于石油、化工、冶金、科研等领域的计量??刂葡低场E浔赣形郎油返奈新至髁看衅骺梢杂τ糜谥埔┬幸担?a href="http://www.bhdmvez.cn/qiyouliuliangji/">柴油流量表还可与控制室中的二次仪表相连,实现积算、传输、通讯和控制功能。
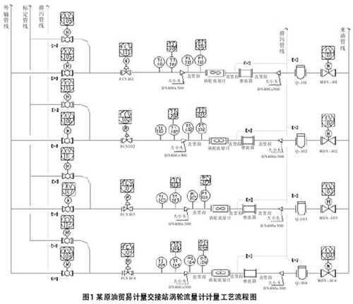
以某原油贸易计量交接站要求满足输量1500×104t/a为例,折算到流量为2100m3/h,若采用3用1备,单路流量至少需达到700m3/h。根据计算,选择流量范围为(200~2000)m3/h的DN250螺旋型柴油流量表较为合适;3用1备,每1路的流量使用在(900~1400)m3/h,每路流量在1400m3/h左右即可满足输量的要求。柴油流量表是一种速度式流量计,流态对其测量准确度的影响较大,应配备足够长的直管段及整流器以保证柴油流量表进口端有良好的速度分布,以提高测量准确度等级。其工艺流程如图1所示。

柴油流量表用于原油贸易交接计量一般要求系统具有较好的配套性,配备温度变送器和压力变送器等辅助设备仪表,计量系统可以实现流量、压力和温度的自动测量、补偿和油量计算。通过流量计算机可实时修正相关系数,以保证计量系统准确度要求。通过自动取样装置,可实现油样的连续采集。
设有1套在线分析系统,对原油密度、黏度和含水等**进行检测。柴油流量表的检定采用体积管在线检定,采用体积管对这4台流量计检定的流量计系数(流量计系数是流量计基本误差的一种表示方法,贸易交接量=流量计读数×流量计系数)趋势图如图2~图5所示。

从图2~图5可以看出,这4台柴油流量表具有较强的稳定性和可靠性,其重复性和准确度较好,满足原油贸易交接计量要求。
二、结束语
由于柴油流量表自身的优点和成功应用,以后柴油流量表在国内原油贸易交接计量中的应用将越来越广泛,成为优先选用的流量计类型。
以某原油贸易计量交接站要求满足输量1500×104t/a为例,折算到流量为2100m3/h,若采用3用1备,单路流量至少需达到700m3/h。根据计算,选择流量范围为(200~2000)m3/h的DN250螺旋型柴油流量表较为合适;3用1备,每1路的流量使用在(900~1400)m3/h,每路流量在1400m3/h左右即可满足输量的要求。柴油流量表是一种速度式流量计,流态对其测量准确度的影响较大,应配备足够长的直管段及整流器以保证柴油流量表进口端有良好的速度分布,以提高测量准确度等级。其工艺流程如图1所示。

柴油流量表用于原油贸易交接计量一般要求系统具有较好的配套性,配备温度变送器和压力变送器等辅助设备仪表,计量系统可以实现流量、压力和温度的自动测量、补偿和油量计算。通过流量计算机可实时修正相关系数,以保证计量系统准确度要求。通过自动取样装置,可实现油样的连续采集。
设有1套在线分析系统,对原油密度、黏度和含水等**进行检测。柴油流量表的检定采用体积管在线检定,采用体积管对这4台流量计检定的流量计系数(流量计系数是流量计基本误差的一种表示方法,贸易交接量=流量计读数×流量计系数)趋势图如图2~图5所示。

从图2~图5可以看出,这4台柴油流量表具有较强的稳定性和可靠性,其重复性和准确度较好,满足原油贸易交接计量要求。
二、结束语
由于柴油流量表自身的优点和成功应用,以后柴油流量表在国内原油贸易交接计量中的应用将越来越广泛,成为优先选用的流量计类型。
相关资讯
- 柴油流量表,二寸管柴油流量表
- 柴油流量表厂家,柴油专用流量表
- 柴油计量流量表,数显柴油计量表
- 柴油流量表,柴油流量表厂家
- 高精度柴油流量表,二寸管柴油流量表
- 可清零柴油流量表,常用柴油流量表
- 重柴油流量表,油罐车柴油流量表
- 大口径的柴油流量表,柴油流量表价格
- 柴油专用流量表,柴油流量计价格
- 柴油流量表,机械式柴油流量表
- 柴油流量表价格,3寸柴油流量表
- 大流量柴油流量表
- 重柴油流量表,柴油流量表厂家
- 可清零柴油流量表,油罐车柴油流量表
- 可回零柴油流量表,常用柴油流量表
- 高精度柴油流量表
- 柴油流量表,可回零柴油流量表
- 大流量柴油流量表,油船柴油流量计量表
- 柴油流量表,重柴油流量表
- 油罐车柴油流量表
- 可清零柴油流量表
- 柴油流量表厂家,高精度柴油流量表
- 柴油流量表,智能型柴油流量表
- 柴油流量表厂家
- 柴油流量表厂家,数显柴油计量表
- 高精度柴油流量表,智能柴油计量表
- 柴油流量表,3寸柴油流量表
- 常用柴油流量表
- 可清零柴油流量表,高精度柴油流量表
- 油罐车柴油流量表,柴油流量表厂家

