产品目录
液体涡轮流量计
液体流量计
水流量计
油流量计
气体涡轮流量计
椭圆齿轮流量计
电磁流量计
涡街流量计
蒸汽流量计
孔板流量计
旋进旋涡流量计
热式气体质量流量计
转子流量计
浮子流量计
靶式流量计
气体流量计
超声波流量计
磁翻板液位计
浮子液位计
浮球液位计
玻璃管液位计
雷达液位计
超声波液位计
投入式液位计
压力变送器
差压变送器
液位变送器
温度变送器
热电偶
热电阻
双金属温度计
推荐产品
联系我们
- 金湖凯铭仪表有限公司
- 联系电话:15195518515
- 在线客服:1464856260
- 电话:0517-86801009
- 传真号码:0517-86801007
- 邮箱:1464856260@qq.com
- 网址:http://www.bhdmvez.cn
- 地址:江苏省金湖县理士大道61号
气体涡轮流量计的安装要求
发布时间:2021-03-20 14:06:17??点击次数:2557次
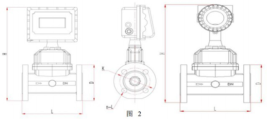
气体涡轮流量计仪表外形尺寸及安装
4.1 流量计外形尺寸及安装
气体涡轮流量计的外形尺寸见图2,图中未注尺寸列于表2中,流量计采用法兰连接方式。法兰尺寸执行GB/T9112~9113-2000标准。


注:图 1所示为温压补偿型仪表外型。
所有型号仪表传感器部分以及整机高度尺寸一致,该尺寸仅供参考,具体参考实物,技术升级导致尺寸变更暂不另行通知。
4.2 流量计安装
1.对于新安装或检修后的管道务必进行吹扫,去除管道中的杂物后方能安装流量计。在进行所有流体静压实验和清扫管路操作期间,应拆下仪表,以免测量部件的严重损坏。
2.安装前,用微小气流吹动涡轮时,涡轮能转动灵活,并没有无规则的噪音,计数器转动正常,无间断卡滞现象,则流量计可安装使用。
3.流量计安装时法兰和管道法兰中间要加密封垫圈。
4.流量计上游处(≧2DN)必须安装相应规格的过滤器,气质较脏的场合应加装油过滤器,用户订货前,可同时向我公司订货,严禁过滤器和流量计直接相连。
5.流量计在安装时前后均应加截至阀门。
6.法兰盘连接处管道内经处不应该有突起相连接。
7.流量计安装时,严禁在其进出口法兰处直接进行电焊,以免烧坏流量计内部零件。
8.流量计应安装在便于维修、无强电磁场干扰、无机械振动以及热辐射影响的场所;
9.流量计不宜用在流量频繁中断和有强烈脉动流或压力脉动的场合;
10流量计室外安装时,上部应有遮盖物,以防雨水浸入和烈日曝晒影响流量计使用寿命;
11.流量计可水平或垂直安装,流体流动方向应与壳体上标识的方向一致,在流量计的上、下游应保证有 2DN和 1DN的直管段长度。
12.为了不影响流体正常输送,建议按图 3安装旁通管道,在正常使用时必须关闭旁通管道阀门。

13.在管道施工时,应考虑安装伸缩管或波纹管,以免对流量计造成严重的拉伸或断裂;
14.应确保管道与流量计入口和出口的连接同轴,并防止垫圈和焊缝突入管道内,否则会扰乱流动剖面;
15.采用外电源时,流量计必须有可靠接地,但不得与强电系统共用地线;在管道安装或检修时,不得把电焊系统的地线与流量计搭接;
16.管道安装完毕进行密封性试压时,应注意流量计压力传感器所能承受的*高压力(即检定**上介质*大压力),以免损坏压力传感器。
17.流量计投入运行时,应缓慢开启阀门(开启时间不少于 15s),逐步增加流速,以免瞬间气流冲击而损坏涡轮。
4.2.2 防爆场所安装要求
1.流量计应有可靠的接地,防爆接地不应与强电系统的?;そ拥毓灿?。
2.现场测试电源时,不允许使用交流电源接地。
3.在任何情况下,用户不得自行更改防爆电路、元器件和防爆型式。
4.必须先切断外接电源再打开转换器盖子。
上一篇:水流量计如何接线下一篇:气体涡轮流量计的工作原理
相关资讯
- 气体涡轮流量计安装直管段要求
- 气体涡轮流量计的结构与工作原理
- 气体涡轮流量计的产品特点和适用范围
- 气体涡轮流量计选型指南与外形尺寸
- 气体涡轮流量计使用环境
- 气体涡轮流量计使用注意事项
- 气体涡轮流量计怎么清洗
- 气体涡轮流量计适用范围
- 气体涡轮流量计为什么要加油
- 气体涡轮流量计波动大解决办法
- 气体涡轮流量计安装距离要求
- 气体涡轮流量计安装注意事项
- 气体涡轮流量计应用范围
- 气体涡轮流量计常见故障有哪些
- 提高气体涡轮流量计精度的方法
- 气体涡轮流量计精度等级
- 气体涡轮流量计的技术参数
- 气体涡轮流量计不准原因
- 气体涡轮流量计的优缺点
- 气体涡轮流量计的用途
- 气体涡轮流量计接线图
- 气体涡轮流量计种类
- 用气体涡轮流量计测量天然气流量
- 气体涡轮流量计的优点
- 气体涡轮流量计使用方法
- 气体涡轮流量计的选型表
- 气体涡轮流量计结构图
- 影响气体涡轮流量计测量精度的因素及措施
- 气体涡轮流量计维护保养
- 气体涡轮流量计特点

