产品目录
液体涡轮流量计
液体流量计
水流量计
油流量计
气体涡轮流量计
椭圆齿轮流量计
电磁流量计
涡街流量计
蒸汽流量计
孔板流量计
旋进旋涡流量计
热式气体质量流量计
转子流量计
浮子流量计
靶式流量计
气体流量计
超声波流量计
磁翻板液位计
浮子液位计
浮球液位计
玻璃管液位计
雷达液位计
超声波液位计
投入式液位计
压力变送器
差压变送器
液位变送器
温度变送器
热电偶
热电阻
双金属温度计
推荐产品
联系我们
- 金湖凯铭仪表有限公司
- 联系电话:15195518515
- 在线客服:1464856260
- 电话:0517-86801009
- 传真号码:0517-86801007
- 邮箱:1464856260@qq.com
- 网址:http://www.bhdmvez.cn
- 地址:江苏省金湖县理士大道61号
浓碱流量计
- 品*:JKM/凯铭仪表
- 型号:JKM-LDE
- 测量范围:0.028~205258m3/h
- 精度等级:0.5级、1.0级
- 公称通径:DN10~DN2200
- 适用介质:污水、导电液体
- 工作压力:1.6~6.3MPa
- 工作温度:-20~+200℃
- 供电方式:220V 24V 锂电池
- 订货号:SIX898180QSG
浓碱流量计产品种类及适用范围
电磁流量计由电磁流量传感器和电磁流量转换器两大部分组成,主要分为两大类:一体型和分离型。
电磁流量计是基于法拉*电磁感应定律原理的流量仪表,用于测量封闭管道中导电液体和浆液的体积流量。它广泛应用于石油化工、钢铁冶金、给水排水、水利灌溉、水处理、环保污水、造纸、医药、食品等工农业部门的生产过程的流量测量和控制。

浓碱流量计产品特点
1.独立性强,测量不受液体密度、粘度、温度压力和电导率等物理量变化的影响。
2.结构简单,故障率低,测量管内无活动及阻流部件,不堵塞、无压损。
3.适用范围广,量程比宽,适合导电液体,含有纤维、固体颗粒和悬浮物的液体。
4.安装要求低,直管段要求低(前 5D 后 2D)。
5.工作稳定可靠,采用低频方波励磁,功耗小,零点稳定。
6.输出信号多样性,可输出与流速成正比例的线性模拟信号、数字信号及报警信号。

浓碱流量计工作原理
流量计测量原理是基于法拉*电磁感应规律。流量计的测量管是一内衬绝缘材料的非导磁合金短管。两只电*沿管径方向穿通管壁固定在测量管上。其电*头于衬里内表面基本齐平。励磁线圈由双向方波脉冲励磁时,将在与测量管轴线垂直的方向上产生一磁通量密度为 B 的工作磁场。此时,如果具有一定电导率的流体流经测量管,将切割磁力线感应出电动势 E。电动势 E 正比于磁通量密度 B,测量管内径 d 与平均流速 V的乘积、电动势 E(流量信号)由电*检出并通过电缆送至转换器。转换器将流量信号放大处理后,可显示流体流量,并能输出脉冲,模拟电流信号,用于流量的测量和控制。

式中:
E---------为电*间的信号电压(v)
B---------磁通密度(T)
d---------测量管内径(m)
V--------平均流速(m/s)
K---------常数
由于 K 为常数,励磁电流是恒流的,故 B 也是常数,则由(1-1)式可知,体积流量 Q 与信号电压 E 成正比,即流速感应的信号电压 E 与体积流量 Q 成线性关系。因此,只要测量出 E 就可确定流量 Q,这就是电磁流量计的基本工作原理。
由(1-1)式可知,被测流体介质的温度、密度、压力、导电率、液固两相流体介质的液固成分比等参数不会影响测量结果。至于流动状态只要符合轴对称流动(如层流或紊流)就不会影响测量结果的。因此说电磁流量计是一种真正的体积流量计。

浓碱流量计执行标准及技术参数
1 产品执行标准
产品性能符合电磁流量计行业标准 JB/T9248-2008 及 JJG1033-2007 要求。
2 主要技术指标

浓碱流量计仪表选型与安装
仪表的选型是仪表应用中非常重要的工作,据有关资料统计,仪表在实际应用中有 2/3 的故障是仪表的错误选型和错误安装造成的,请特别注意。具体注意事项如下:
1.被测流体名称和其化学性能。
2.*大流量、*小流量和常用流量。推荐:常用流量应选择在 1~3m/s 流速段内,如果不符,请用户调整所选仪表的口径规格。
3.*高工作压力。
4.*高工作温度、*低工作温度。
5.被测流体必须具备一定的导电性,导电率≥5μs/cm。
6.*大流量和*小流量必须符合表 2-1 的数据。
7.实际*高工作压力必须小于流量计的额定工作压力(见传感器铭*)。
8.*高工作温度和*低工作温度必须符合流量计规定的温度要求(见传感器铭*)。
9.确定是否有负压情况存在。
10.电*和衬里材料的选择应满足流体介质的化学性能。

2.1 公称通径与流量范围

2.2 电*材料的选择

2.3 衬里材料的选择

2.4 接地环的选择
若与传感器连接的管道是绝缘性,则推荐使用接地环或接地电*,若被测介质是磨损的,应选择带颈衬里保护接地环。
聚四氟乙烯衬里的传感器,安装使用时建议配备接地环,其作用有二:一是?;こ睦锉砻?,二 是具有良好接地。

2.5 外形和安装尺寸,见表 2-4
注:除表 2-4 标准连接尺寸和公称压力以外,可依据用户要求,根据用户实际安装位置尺寸,管道公称压力进行非标准设计和制造。
2.5.1 转换器的结构和外形尺寸(详见转换器部分)
2.5.2 电磁流量计(含传感器)外形及连接尺寸(见图 2-2,表 2-4)


常用规格电磁流量计外形尺寸和法兰连接尺寸

常用规格电磁流量计外形尺寸和法兰连接尺寸

2.6 仪表安装
2.6.1 安装须知
流量计的设计、试验和供电均有安全规定,用户必须严格遵守本说明书的有关条款确保流量计的安全操作及运行。保证电磁流量计测量精度的必要条件如下:
1.被测液体介质必须具有导电性。
2.被测液体介质必须充满管道。
3.被测液体介质必须均匀,以避免电导率的不均匀性(会产生严重干扰),如需动态加入化学物质,应在仪表下游处注入。
4.电磁流量计系统必须良好接地。
5.流量计入口直管段至少 5 倍 DN (测量管道内径),出口直管段至少 2 倍 DN。
6.在流量计附近,避免强电磁场干扰,避免安装在大型电机或变压器等设备附近。
2.6.2 安全措施
为保障人身和设备的安全,须遵守以下条款:
1.在选择位置和安装流量计之前,必须认真阅读完本说明书有关部分,同时要考虑流量计、相关设备和机身环境的安全要求。
2.应由具备一定仪表知识的人员进行仪表的安装和维修。
3.正确安装流量计传感器及配管,保证密封安全可靠,液体压力不得超过铭*上规定的*高工作压力。
4.采取一定措施,防止触电事故。
5.流量计的吊装设备应符合安全规定。
2.6.3 安装前的检查
1.检查法兰、衬里、壳体和出线套有无损伤。
2.打开盒盖、检查接线印刷电路板有无松动或损坏。
3.检查铭*中型号编码与订货编码是否相符。
2.6.4 吊装
流量计应采用正确吊装方法进行吊装,吊装设备的安全载荷及防护措施应符合有关规定。禁止在转换器箱体(一体式流量计)或接线盒(分离型流量计)处用绳拴接起吊仪表。

2.6.5 正确选择安装位置
正确地选择安装位置和正确安装流量计都是非常重要的环节,若在安装环节失误,轻者影响测量精度,重者会影响流量计的使用寿命,甚至会损坏流量计。选择安装位置时应注意以下问题:
1.测量电*的轴线必须近似于水平方向(与水平线夹角一般为 10°以内)

2.测量管道内必须完全充满液体。
3.流量计的前方*少要有 5×D(D 为流量计内径)长度的直管段,后方*少要有 2×D(D为流量计内径)长度的直管段。

4.流体的流动方向和流量计的箭头方向一致。
5.管道内要有真空会损坏流量计的内衬,需特别注意。
6.在流量计附近应无强电磁场,仪表安装场所的磁场强度应小于 400A/m(避免安装在大型电机或变压器等设备附近)。
7.若测量管道有振动,在流量计的两边应有固定的支座。
8.测量不同介质的混合液时,混合点与流量计之间的距离*少要有 30×D(D 为流量计内径)。
9.为方便今后流量计的清洗和维护,应安装旁通管道。

10.安装聚四氟乙烯内衬的流量计时,连接两法兰的螺栓应注意均匀拧紧,否则容易压坏聚四氟乙烯内衬,*好用力矩扳手。
11.仪表应避免强烈振动和过大的温度变化,同时要防止腐蚀性液体的滴漏对仪表造成损害。
12.如果安装地点易受阳光曝晒,应当增加遮蔽设施。
13.安装传感器时,应保证测量管与工艺管道同轴。对 50mm 及以下公称通径的传感器,其轴线偏离不超过 2mm。DN65~DN150 其轴线偏离不超过 3mm,≥DN200 其轴线偏离不超过 4mm。
14.法兰之间加装的法兰垫圈,应有良好的耐腐蚀性能,该垫圈不得伸入管道内部。
15.紧固仪表螺栓、螺母,其螺纹应完整无损,润滑良好。应依据法兰尺寸、力矩大小采用力矩扳手紧固螺栓。
16.在传感器邻近管道进行焊接或火焰切割时,要采用隔离措施,防止衬里受热,且必须确认仪表未通电运行,防止损坏仪表。
2.6.6 安装方式
应安装在水平管道较低处和垂直向上处,避免安装在管道的*高点和垂直向下处。

应安装在管道的上升处。

在开口排放的管道安装,应安装在管道较低处。若管道落差超过 5m,在传感器的下游安装排气阀且传感器的下游应有一定的背压。

应在传感器的下游安装控制阀和切断阀,而不应安装在传感器上游。

传感器绝对不能安装在泵的进口处,应安装在泵的出口处。

在测量井内安装流量计的方式:1.入口 2.溢流管 3. 清洗孔 4.入口栅 5. 短管 6.流量计 7.出口 8.排放阀

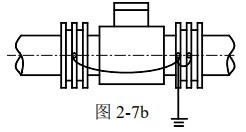
2.6.7 接地要求
电磁流量计的接地是非常重要的,若接地不好,无法正常运行,传感器部分应有良好的单独接地线(铜芯截面积为 1.6mm2),接地电阻<10Ω。
1.接地环
若与传感器连接的管道是绝缘性的,则需用接地环,应选择其材质和电*的材质一样,若被测介质是磨损性的,应选择带颈接地环。

2.接地方式
流量计在金属管道上的安装,金属管道内壁没有绝缘涂层。

流量计在塑料或内壁有绝缘涂料、油漆、内补等管道上安装时,应在传感器的两端安装接地环。

流量计在阴*保护管道上安装,防护电解腐蚀的管道一般在其壁和外壁是绝缘的,安装时注意接地环和管道上的法兰应绝缘。

2.6.8 改变转换器盒的方向
转换器盒可以根据需要作四个不同方向的转变。
1.一体型流量计的转换器盒方向的改变
① 取下固定转换器盒的 4 个六角螺丝。
② 将转换器盒转到理想的方向,旋转时注意内部连接线。
③ 重新固定转换器盒。
2.分体型流量计的接线盒方向的改变
① 取下固定接线盒的 4 个六角螺丝
② 将接线盒转到理想的方向,旋转时注意内部连接线
③ 重新固定接线盒。
2.7 运行
应遵守 2.6.1 节及 2.6.2 节中的各项安全条款和规定。
2.7.1 运行前的检查
流量计投运前进行下述检查:
1.流量计在运输和安装中有无损伤;
2.使用电源电压同铭*电压是否相符;
3.使用正确流量值的保险丝;
4.表正确接地;
5.量程设定是否正确(见转换器部分有关内容);
检查后,打开管道阀门使液体充满管线系统,应注意排除泄露和系统内的残留气体。接通仪表电源,一般流量计通电预热 10 分钟即可正常工作。
2.7.2 流向调整
流量计和流向规定见 2.6.5 节,对于分离型流量计,虽然安装传感器能保证流向箭头同现场实际正向一致。因存在用户接线的问题,有可能出现下述状况:
1.具有单向输出转换器,有正向流量时输出显示零或负值(如0~10mA的0mA或4~20mA的4mA)。
2.具有双向显示的转换器,有正向流量时,输出为负向显示。此时只要断开电源,调接任一侧两励磁线(EXT+及 EXT-)位置,就可使输出方向,实际正向流向、箭头方向保持一致。
2.8 维修
进行维修之前,必须阅读 2.5.1 节及 2.5.2 节中的安全条款。
当确认流量计发生故障时,可同制造厂联系。
2.8.1 常规维修
一般需目检电气连接有无破损及仪表工作是否正常。
2.8.2 故障检查(参照转换器部分有关内容)
如果仪表不能令人满意地工作,可按以下步骤检查:
1.检查流量计管线阀门是否全部打开,管道是否充满液体,流量计是否在接近流量范围上限值流量下工作;
2.检查仪表电源、开关、保险丝等供电设施是否正常;
3.检查故障点是在电缆中还是在仪表中;
4.检查转换器的编号和仪表系数与传感器是否一致;
5.检查量程设定是否正确;
6.检查流量计输出连接是否正确及接地是否良好;
7.按转换器部分规定内容检查。
2.8.3 电磁流量计故障分析和现象汇总表:

2.9 运输与贮存
为防止仪表在转运时受到损伤,在到达安装现场以前,请保持制造厂发运时的包装状态。在存过程中,贮存地点应具备下列条件:
1.防雨防潮;
2.机械振动小,并避免冲击;
3.温度范围-20~60℃;
4.温度低于 80%,*好在 50%左右;
5.贮存使用过的传感器,须先清除附着于衬里和电*表面上的被测介质;
6.露天贮存,仪表性能可能会受影响。

