产品目录
液体涡轮流量计
液体流量计
水流量计
油流量计
气体涡轮流量计
椭圆齿轮流量计
电磁流量计
涡街流量计
蒸汽流量计
孔板流量计
旋进旋涡流量计
热式气体质量流量计
转子流量计
浮子流量计
靶式流量计
气体流量计
超声波流量计
磁翻板液位计
浮子液位计
浮球液位计
玻璃管液位计
雷达液位计
超声波液位计
投入式液位计
压力变送器
差压变送器
液位变送器
温度变送器
热电偶
热电阻
双金属温度计
推荐产品
联系我们
- 金湖凯铭仪表有限公司
- 联系电话:15195518515
- 在线客服:1464856260
- 电话:0517-86801009
- 传真号码:0517-86801007
- 邮箱:1464856260@qq.com
- 网址:http://www.bhdmvez.cn
- 地址:江苏省金湖县理士大道61号
煤气流量计尺寸与选型
发布时间:2021-05-17 02:12:39??点击次数:3424次
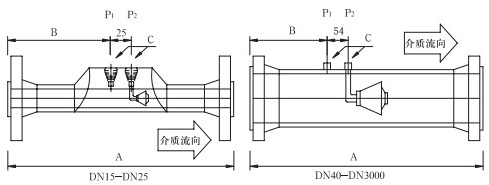
1.管道式S0法兰连接(VS)
法兰标准:ANSIB16.5/HG20616 连接形式:SO 密封形式:RF
压力等级(CL/MPa):150/2.0
法兰标准:JB/T82.1/HG20593、20594 连接形式:平焊 密封面形式:凸(突)台面
压力等级(MPa):0.25、0.6、1.0、1.6、2.5
外形图

尺寸表

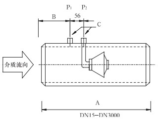
2.管道式WN法兰连接(VW)
法兰标准:ANSIB16.5/HG20617 连接形式:WN 密封面形式:RF RJ
压力等级(CL/MPa):150/2.0、300/5.0、600/11.0、900/15.0、1500/26.0、2500/42.0
法兰标准:GB/T9115/JB/T82/HG20595 连接形式:对焊 密封面形式:凸(突)台面、凹凸面、环连接面
压力等级(MPa):0.25、0.6、1.0、1.6、2.5、4.0、6.3、10.0、16.0、25.0、40.0
外形图

尺寸表一

尺寸表二


3.管道式SO、WN法兰连接(VS、VW)选型

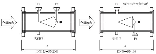
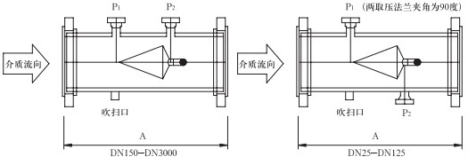
3.法兰取压(VF)
适用于粘稠、易结垢液体(原油、渣油、原料油、回炼油、水煤浆、焦油、硫磺、苯)、脏污及粉尘气体对于高粘度及粉尘介质可依据设计要求增加吹扫口。
SO管法兰连接外形及尺寸

尺寸表一

4.WN管法兰连接外形及尺寸

尺寸表二

1.总长度允许误差范围:DN50-250,±6mm;DN300-600,±7mm;≥DN700,±8mm。吹扫口直径:DN50-100,DN25;DN125-3000,DN40。
2.尺寸表中同一栏值有两个并以/隔开,表示/下方的数值是以HG管法兰尺寸计算所得。
3.DN>600法兰标准为ANSIB16.47(HG20623)
取压口法兰公称直径(标准设计)为DN40,也可以依据用户要求选取法兰直径。
取压口法兰连接形式:WN,密封面形式:RF,法兰标准:ANSIB16.5、HG20617、JB/T82.1。
5.法兰取压(VF)选型

6.直接焊接式(VB)
适用于测量高压和超高压介质流量,不用法兰连接,而是采用直接焊接,以减少管路上的泄露点,如:加氢裂化、聚乙烯、电厂的主蒸汽和主给水等。
适用于测量长输管道高强度钢管内流体的流量,钢管标准:GB/T9711.1、GB/T9711.2 如:长输管道、城市管网等。
外形图

长输管道尺寸表

总长度允许误差范围:φ114.3-273,±4mm;DN323.8-610,±6mm;DN660-1524,±7mm。长输管道公称直径从“4 1/2~60”,只有一个外径系列,故选项时不选外径代码。
7.直接焊接式(VB)选项

8.保温夹套式(VJ)
专门为测量要求夹套管伴热工艺介质的流量而设计,特别适合易结晶介质及温控要求严格的场合。钢制夹套管法兰标准:SHT501-1997。
外形图

尺寸表

9.保温夹套式(VJ)选项

10.防腐式(VA)
连接法兰标准:ANSIB16.5/HG20617 JB/T82/HG20595
连接法兰压力等级(CL/MPa):150-2500/2.0-42.0、PN0.25-25.0
VA独特的耐腐蚀防堵装配结构,是为测量含有湿气的氯气、氯化氢、氢氟酸等介质的流量而专业设计
特点:1.安装时无需焊接,2.锥体可以更换。
外形图

尺寸表

其它管径、长度也可以设计制造。
上一篇:v锥煤气流量计结构原理下一篇:腰轮流量计选型

