产品目录
液体涡轮流量计
液体流量计
水流量计
油流量计
气体涡轮流量计
椭圆齿轮流量计
电磁流量计
涡街流量计
蒸汽流量计
孔板流量计
旋进旋涡流量计
热式气体质量流量计
转子流量计
浮子流量计
靶式流量计
气体流量计
超声波流量计
磁翻板液位计
浮子液位计
浮球液位计
玻璃管液位计
雷达液位计
超声波液位计
投入式液位计
压力变送器
差压变送器
液位变送器
温度变送器
热电偶
热电阻
双金属温度计
推荐产品
联系我们
- 金湖凯铭仪表有限公司
- 联系电话:15195518515
- 在线客服:1464856260
- 电话:0517-86801009
- 传真号码:0517-86801007
- 邮箱:1464856260@qq.com
- 网址:http://www.bhdmvez.cn
- 地址:江苏省金湖县理士大道61号
冷冻水流量计安装方式
发布时间:2021-07-21 02:19:58??点击次数:2552次
冷冻水流量计因计量准确度高、适用范围广,在工业计量中应用十分广泛,但是必须对安装和使用有一定的了解才能使其发挥更大的优势。
应安装在水平管道较低处和垂直向上处,避免安装在管道的*高点和垂直向下处。

应安装在管道的上升处。

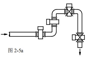
在开口排放的管道安装,应安装在管道较低处。若管道落差超过 5m,在传感器的下游安装排气阀且传感器的下游应有一定的背压。

应在传感器的下游安装控制阀和切断阀,而不应安装在传感器上游。

传感器绝对不能安装在泵的进口处,应安装在泵的出口处。

在测量井内安装流量计的方式:1.入口 2.溢流管 3. 清洗孔 4.入口栅 5. 短管 6.流量计 7.出口 8.排放阀

上一篇:冷冻水流量计怎么使用下一篇:冷冻水流量计安装位置

