产品目录
液体涡轮流量计
液体流量计
水流量计
油流量计
气体涡轮流量计
椭圆齿轮流量计
电磁流量计
涡街流量计
蒸汽流量计
孔板流量计
旋进旋涡流量计
热式气体质量流量计
转子流量计
浮子流量计
靶式流量计
气体流量计
超声波流量计
磁翻板液位计
浮子液位计
浮球液位计
玻璃管液位计
雷达液位计
超声波液位计
投入式液位计
压力变送器
差压变送器
液位变送器
温度变送器
热电偶
热电阻
双金属温度计
推荐产品
联系我们
- 金湖凯铭仪表有限公司
- 联系电话:15195518515
- 在线客服:1464856260
- 电话:0517-86801009
- 传真号码:0517-86801007
- 邮箱:1464856260@qq.com
- 网址:http://www.bhdmvez.cn
- 地址:江苏省金湖县理士大道61号
燃气腰轮流量计
- 品*:JKM/凯铭仪表
- 型号:JKM-LLQ
- 测量范围:10-5000m3/h
- 精度等级:±1.5%
- 公称通径:DN25~DN200
- 适用介质:天然气 煤气 液化石油气
- 工作压力:1.6-6.3MPa
- 工作温度:-50℃~80℃
- 供电方式:24VDC 锂电池
- 订货号:XGIYOFHDJ938
燃气腰轮流量计概述
本产品是一种容积式流量计量仪表。当气体通过流量计时,在入口和出口间产生的压差作用在与高精密同步齿轮联结在一起的一对罗茨轮上,从而驱动罗茨轮旋转。在这期间,罗茨轮与壳体内壁和盖板之间形成的密闭空间-计量腔周期的充气和排气。罗茨轮的转数与通过流量计的气体体积量成正比。罗茨轮的旋转经由磁电转换器变为电脉冲信号,送入流量积算仪进行运算处理,并显示气体总量。

燃气腰轮流量计特点
·精度高,重复性好。内部转子经精密加工和平衡检测,无接触旋转,良好的油润滑,确保了流量计精度不变,工作寿命长。
·流量计前后不需要直管段,可以安装在环境狭窄的场合。
·始动流量小,量程比宽,适合于计量负荷变动大的气体流量
·计量精度不受压力和流量变化的影响,性能稳定,寿命长。
·通用性好,所有罗茨流量传感器均可使用通用的附件。
·配置RS-485通讯接口和专用信号集中器配套,可通过GPRS/CDMA、Internet、电话网络组成远程数据采集及监控系统,便于数据的集中采集和实时管理。
·电路采用表贴安装工艺,机构紧凑、抗干扰能力强,可靠性高。采用高性能微处理器和现代数字滤波技术,软件功能强大,可靠性高。
·采用浮点运算和五段仪表系数自动修正,并具有故障自诊断和报警功能。
·采用微功耗高新技术,内、外电源供电工作,整机功耗低。
·就地显示流量值,并带多种信号输出功能。
·采用高对比度的液晶显示器,可显示标准累积流量、标准体积流量、工况体积流量百分值、介质温度、压力值和电池容量百分量,并带中文提示符。
·具有实时数据存储功能,可防止更换电池或突然掉电时数据丢失,在停电状态下,内部参数。
·可永久性保存。
·仪表具有防爆功能,防爆标志为ExiaⅡCT4。
·流量计外壳防护等级为IP65
燃气腰轮流量计工作原理
LLQ系列气体腰轮流量计,主要由壳体、共轭转子和计数装置等部件构成。装于计量室内一对共轭转子在流通气体的出入品压差作用下,通过精密加工的调校齿轮使转子保持正确的相对位置。转子间、转子与壳体、转子与墙板间保持*佳工作间隙,实现了连续地无接触密封。转子每转动一周,则输出四门计量室有效容积的气体,转子的转数通过磁性密封联轴装置及减速机构,传递到积算指示计数器,从而显示输出气体的累积体积量。其计量过程和工作原理如图所示。

燃气腰轮流量计技术参数

燃气腰轮流量计流量范围

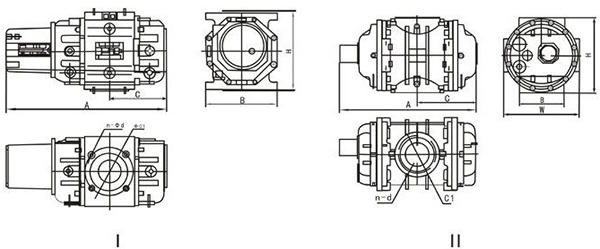
燃气腰轮流量计外形尺寸


燃气腰轮流量计安装要求



