产品目录
液体涡轮流量计
液体流量计
水流量计
油流量计
气体涡轮流量计
椭圆齿轮流量计
电磁流量计
涡街流量计
蒸汽流量计
孔板流量计
旋进旋涡流量计
转子流量计
浮子流量计
靶式流量计
气体流量计
磁翻板液位计
浮子液位计
浮球液位计
玻璃管液位计
雷达液位计
超声波液位计
投入式液位计
压力变送器
差压变送器
液位变送器
温度变送器
热电偶
热电阻
双金属温度计
推荐产品
联系我们
- 金湖凯铭仪表有限公司
- 联系电话:15195518515
- 在线客服:1464856260
- 电话:0517-86801009
- 传真号码:0517-86801007
- 邮箱:1464856260@qq.com
- 网址:http://www.bhdmvez.cn
- 地址:江苏省金湖县理士大道61号
高温温度变送器
- 品*:JKM/凯铭仪表
- 型号:JKM-SBW
- 测量范围:-200~+1300℃
- 精度等级:0.2% 0.5%
- 公称通径:螺纹 M20*1.5
- 适用介质:液体、气体、蒸汽
- 工作压力:0-10MPa
- 工作温度:-200~+1300℃
- 供电方式:24VDC
- 订货号:PET982821FXZ
高温温度变送器仪表概述
温度变送器采用热电偶、热电阻作为测温元件,从测温元件输出信号送到变送器???,经过稳压滤波、运算放大、非线性校正、V/I转换、恒流及反向保护等电路处理后,转换成与温度成线性关系的4~20mA电流信号0-5V/0-10V电压信号,RS485数字信号输出。

高温温度变送器测量原理
温度变送器是热电偶或热电阻传感器将被测温度转换成电信号,再将该信号送入变送器的输入网络,该网络包含调零和热电偶补偿等相关电路。经调零后的信号输入 到运算放大器进行信号放大,放大的信号一路经V/I转换器计算处理后以4-20mA直流电流输出;另一路经A/D转换器处理后到表头显示。变送器的线性化电路有两种,均采用反馈方式。对热电阻传感器,用正反馈方式校正,对热电偶传感器,用多段折线逼近法进行校正。有两种显示方式。LCD显示的温度变送器用两线制方式输出,LED显示的温度变送器用三线制方式输出。
高温温度变送器适用场合
温度变送器可直接安装在热电偶、热电阻的接线盒内与之形成一体化结构。它作为新一代测温仪表可广泛应用与冶金、石油、化工、电力、轻工、纺织、食品、国防以及科研等工业部门。

高温温度变送器性能特点
1、采用硅橡胶或环氧树脂密封结构,因此耐震、耐湿、适合在恶劣的现场环境安装使用。
2、现场安装在热电偶、热电阻的接线盒内使用,直接输出4-20mA、0-10mA的输出信号。这样既节约了昂貴的。补偿导线费用,又提高了信号远距离传输过程中的抗干扰能力;
3、热电偶变送器具有冷端温度自动补偿功能;
4、精度高、功耗低,使用环境温度范围宽,工作稳定可靠;
5、适用范围广、既可以与热电偶、热电阻形成一体化现场安装结构,也可以作为功能??榘沧霸诩觳馍璞钢泻鸵潜砼躺鲜褂茫?/p>
6、可通过HART调制解调器与上位机通讯或与手持器和PC机对变送器的型号、分度号、量程。进行远程信息管理、组态、变量监测、校准和维护功能;
7、可按用户实际需要调整变送器的显示方向,并显示变送器所测的介质温度、传感器值的变化、输出电流和百分比例。
高温温度变送器技术指标

高温温度变送器产品选型

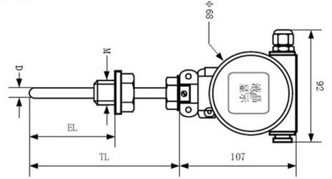
高温温度变送器外形尺寸

高温温度变送器接线

高温温度变送器多种连接方式

高温温度变送器校验方法
1、设备要求:数字电压表一台;
2、按系统连接方法接线;
3、根据变送器铭*上标明的传感器和量程范围,输入相应的阻值,使输出为1V和5V(可分别调整零点电位器和满度电位器);
4、按量程十等分点输入各电阻值,检查各温度输出是否符合精度范围;
5、按说明书技术指标进行测试,应符合技术要求。
高温温度变送器注意事项
1、用于爆炸危险场所时,请注意防爆标志与防护等级;
2、安装的环境必须是在-20-+70℃内,当周围环境温度太高时,SBWZ/R信号转换器和显示??榭梢杂肴鹊缱杌蛉鹊缗挤掷氚沧啊N页溆蟹掷氚沧氨渌推鞯淖ㄓ梅辣?。
3、加电前,请仔细检查电源的正负*性,不能接错,否则可能造成不可知的后果。
4、SBW信号转换器??橛没费跏髦喾夤袒?,以加强其防震性能,并防湿、防腐、防潮。
5、温度变送器使用六个月后需进行校验。

