产品目录
液体涡轮流量计
液体流量计
水流量计
油流量计
气体涡轮流量计
椭圆齿轮流量计
电磁流量计
涡街流量计
蒸汽流量计
孔板流量计
旋进旋涡流量计
热式气体质量流量计
转子流量计
浮子流量计
靶式流量计
气体流量计
超声波流量计
磁翻板液位计
浮子液位计
浮球液位计
玻璃管液位计
雷达液位计
超声波液位计
投入式液位计
压力变送器
差压变送器
液位变送器
温度变送器
热电偶
热电阻
双金属温度计
推荐产品
联系我们
- 金湖凯铭仪表有限公司
- 联系电话:15195518515
- 在线客服:1464856260
- 电话:0517-86801009
- 传真号码:0517-86801007
- 邮箱:1464856260@qq.com
- 网址:http://www.bhdmvez.cn
- 地址:江苏省金湖县理士大道61号
涡街流量计传感器接线图
涡街流量计是一种速度式流量计,根据卡门涡街原理来测量气体、蒸汽或液体的体积流量。主要用于工业管道介质流体的流量测量,能够测量气体、液体、蒸汽等多种介质。其特点是压力损失小,量程范围大,精度高,在测量工况体积流量时几乎不受流体密度、压力、温度、黏度等参数的影响。无可动机械零件,因此可靠性高,维护量小,仪表参数能长期稳定。
涡街流量计可用来对各种单相、均匀的液体、气体、高/ 低温过热蒸汽和饱和蒸汽进行流量计量、检测和控制,广泛应用于石油、化工、冶金、电力、造纸、制药、食品等工业部门和市政建设、环保工程等行业。
一. 输出频率信号的三线制涡街流量仪表配线设计
输出频率信号的三线制流量传感器采用 DC24V 或 DC12V 电源供电,一般通过三芯屏蔽电缆线(RWP3×0.5mm)与显示仪表或计算机相连,屏蔽层应可靠地接到放大器壳的接地螺丝上。屏蔽电缆线的选择应适合现场环境要求,另外屏蔽电缆线要与其它强功率电力线分离,不能平行走线。传感器端子接线见图(八)

二.输出标准 4~20mA 电流信号的两线制涡街流量仪表配线设计
输出标准 4~20mA 电流信号的两线制变送器采用 DC24V 电源供电,一般通过两芯屏蔽电缆线(RWP3×0.5mm)与显示仪表或计算机相连,屏蔽层应可靠地接到放大器壳的接地螺丝上。屏蔽电缆线的选择应适合现场环境要求,另外屏蔽电缆线要与其它强功率电力线分离,不能平行走线。变送器端子接线见图(九)

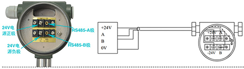
三.带 RS-485 通讯接口功能的涡街流量仪表配线设计
带 RS-485 通讯功能的涡街流量仪表采用 DC24V 电源供电,与其它设备之间采用四线制传输方式。仪表端子接线见图(十)

四.防暴型涡街流量仪表配线设计
LUGB/E 三线制脉冲输出型涡街流量仪表与 LB978 齐纳安全栅相连、LUGB/E 两线制标准 4~20mA 电流输出型涡街流量仪表与 LB987S 齐纳安全栅相连可构成本质安全型防爆系统,产品防爆标志为 Ex ia Ⅱ CT2-T5。
本安防爆型涡街流量传感器/变送器与防爆安全栅和积算系统等关联设备的接线性请参看防爆安全栅厂家提供的接线说明和以下所示图(十一),图(十二)。


注意事项:
(1)防爆型传感器和变送器安装于危险场所,安全栅、显示仪表、供电电源,计算机等关联设备必须安装在安全场所。
(2)传感器和变送器应有可靠接地,防爆地线不得与强电系统?;そ拥毓灿?。
相关资讯
- 涡街流量计产生误差是什么原因
- 涡街流量计不归零处理方法
- 涡街流量计与靶式流量计性能对比
- 涡街流量计抗震解决办法
- 涡街流量计与平衡流量计的区别
- 涡街流量计有什么用途
- 涡街流量计的性能特点
- 涡街流量计波动的原因分析与解决方案
- 介质密度对涡街流量计的影响
- 涡街流量计和孔板流量计的区别
- 涡街流量计夹持式与法兰式的区别
- 涡街流量计维护注意事项
- 涡街流量计的测量精度
- 管道振动对涡街流量计的影响
- 涡街流量计与旋进旋涡流量计有什么区别
- 涡街流量计的分类有哪些
- 涡街流量计有哪些连接方式
- 涡街流量计的适用范围
- 涡街流量计对直管段有什么要求
- 影响涡街流量计测量不准确的因素
- 涡街流量计无输出故障原因分析
- 涡街流量计为什么要温压补偿
- 涡街流量计的应用领域
- 涡街流量计无显示原因与检查处理
- 涡街流量计的正确使用方法
- 涡街流量计的原理及结构组成
- 涡街流量计的优缺点有哪些
- 涡街流量计常见故障分析与处理
- 涡街流量计规格型号参数说明
- 涡街流量计传感器接线图

