产品目录
液体涡轮流量计
液体流量计
水流量计
油流量计
气体涡轮流量计
椭圆齿轮流量计
电磁流量计
涡街流量计
蒸汽流量计
孔板流量计
旋进旋涡流量计
热式气体质量流量计
转子流量计
浮子流量计
靶式流量计
气体流量计
超声波流量计
磁翻板液位计
浮子液位计
浮球液位计
玻璃管液位计
雷达液位计
超声波液位计
投入式液位计
压力变送器
差压变送器
液位变送器
温度变送器
热电偶
热电阻
双金属温度计
联系我们
- 金湖凯铭仪表有限公司
- 联系电话:15195518515
- 在线客服:1464856260
- 电话:0517-86801009
- 传真号码:0517-86801007
- 邮箱:1464856260@qq.com
- 网址:http://www.bhdmvez.cn
- 地址:江苏省金湖县理士大道61号
*先选择对的液体流量计要分清楚是什么介质
1、具有黏稠性液体:用椭圆齿轮流量计,像润滑油,高粘度油,糖浆,花生油,汽油,柴油,牙膏,酸奶,食用油液压油。
2、具有较高粘度的液体:用双转子流量计,粘度较高的有橡胶,石蜡,油漆,粘度高石油,增稠剂,沥青,增稠剂等。
3、带导电性液体:电磁流量计,污水,自来水,氯化铝溶液,氯化钠溶液,硝酸银,氯化铁溶液等导电液体。
4、不导电液体:用液体涡轮流量计,此款过滤的液体不能有杂质必须加装过滤器,纯净水,矿泉水,乙醇,啤酒,矿泉水等液体。
一、电磁流量计
电磁流量计产品种类及适用范围
电磁流量计由电磁流量传感器和电磁流量转换器两大部分组成,主要分为两大类:一体型和分离型。
电磁流量计是基于法拉*电磁感应定律原理的流量仪表,用于测量封闭管道中导电液体和浆液的体积流量。它广泛应用于石油化工、钢铁冶金、给水排水、水利灌溉、水处理、环保污水、造纸、医药、食品等工农业部门的生产过程的流量测量和控制。
电磁流量计产品特点
1.独立性强,测量不受液体密度、粘度、温度压力和电导率等物理量变化的影响。
2.结构简单,故障率低,测量管内无活动及阻流部件,不堵塞、无压损。
3.适用范围广,量程比宽,适合导电液体,含有纤维、固体颗粒和悬浮物的液体。
4.安装要求低,直管段要求低(前 5D 后 2D)。
5.工作稳定可靠,采用低频方波励磁,功耗小,零点稳定。
6.输出信号多样性,可输出与流速成正比例的线性模拟信号、数字信号及报警信号。
电磁流量计工作原理
流量计测量原理是基于法拉*电磁感应规律。流量计的测量管是一内衬绝缘材料的非导磁合金短管。两只电*沿管径方向穿通管壁固定在测量管上。其电*头于衬里内表面基本齐平。励磁线圈由双向方波脉冲励磁时,将在与测量管轴线垂直的方向上产生一磁通量密度为 B 的工作磁场。此时,如果具有一定电导率的流体流经测量管,将切割磁力线感应出电动势 E。电动势 E 正比于磁通量密度 B,测量管内径 d 与平均流速 V的乘积、电动势 E(流量信号)由电*检出并通过电缆送至转换器。转换器将流量信号放大处理后,可显示流体流量,并能输出脉冲,模拟电流信号,用于流量的测量和控制。
式中:
E---------为电*间的信号电压(v)
B---------磁通密度(T)
d---------测量管内径(m)
V--------平均流速(m/s)
K---------常数
由于 K 为常数,励磁电流是恒流的,故 B 也是常数,则由(1-1)式可知,体积流量 Q 与信号电压 E 成正比,即流速感应的信号电压 E 与体积流量 Q 成线性关系。因此,只要测量出 E 就可确定流量 Q,这就是电磁流量计的基本工作原理。
由(1-1)式可知,被测流体介质的温度、密度、压力、导电率、液固两相流体介质的液固成分比等参数不会影响测量结果。至于流动状态只要符合轴对称流动(如层流或紊流)就不会影响测量结果的。因此说电磁流量计是一种真正的体积流量计。
电磁流量计执行标准及技术参数
1 产品执行标准
产品性能符合电磁流量计行业标准 JB/T9248-2008 及 JJG1033-2007 要求。
2 主要技术指标
电磁流量计仪表选型
仪表的选型是仪表应用中非常重要的工作,据有关资料统计,仪表在实际应用中有 2/3 的故障是仪表的错误选型和错误安装造成的,请特别注意。具体注意事项如下:
1.被测流体名称和其化学性能。
2.*大流量、*小流量和常用流量。推荐:常用流量应选择在 1~3m/s 流速段内,如果不符,请用户调整所选仪表的口径规格。
3.*高工作压力。
4.*高工作温度、*低工作温度。
5.被测流体必须具备一定的导电性,导电率≥5μs/cm。
6.*大流量和*小流量必须符合表 2-1 的数据。
7.实际*高工作压力必须小于流量计的额定工作压力(见传感器铭*)。
8.*高工作温度和*低工作温度必须符合流量计规定的温度要求(见传感器铭*)。
9.确定是否有负压情况存在。
10.电*和衬里材料的选择应满足流体介质的化学性能。
电磁流量计公称通径与流量范围
电磁流量计电*材料的选择
电磁流量计衬里材料的选择
电磁流量计正确选择安装位置
正确地选择安装位置和正确安装流量计都是非常重要的环节,若在安装环节失误,轻者影响测量精度,重者会影响流量计的使用寿命,甚至会损坏流量计。选择安装位置时应注意以下问题:
1.测量电*的轴线必须近似于水平方向(与水平线夹角一般为 10°以内)
2.测量管道内必须完全充满液体。
3.流量计的前方*少要有 5×D(D 为流量计内径)长度的直管段,后方*少要有 2×D(D为流量计内径)长度的直管段。
4.流体的流动方向和流量计的箭头方向一致。
5.管道内要有真空会损坏流量计的内衬,需特别注意。
6.在流量计附近应无强电磁场,仪表安装场所的磁场强度应小于 400A/m(避免安装在大型电机或变压器等设备附近)。
7.若测量管道有振动,在流量计的两边应有固定的支座。
8.测量不同介质的混合液时,混合点与流量计之间的距离*少要有 30×D(D 为流量计内径)。
9.为方便今后流量计的清洗和维护,应安装旁通管道。
10.安装聚四氟乙烯内衬的流量计时,连接两法兰的螺栓应注意均匀拧紧,否则容易压坏聚四氟乙烯内衬,*好用力矩扳手。
11.仪表应避免强烈振动和过大的温度变化,同时要防止腐蚀性液体的滴漏对仪表造成损害。
12.如果安装地点易受阳光曝晒,应当增加遮蔽设施。
13.安装传感器时,应保证测量管与工艺管道同轴。对 50mm 及以下公称通径的传感器,其轴线偏离不超过 2mm。DN65~DN150 其轴线偏离不超过 3mm,≥DN200 其轴线偏离不超过 4mm。
14.法兰之间加装的法兰垫圈,应有良好的耐腐蚀性能,该垫圈不得伸入管道内部。
15.紧固仪表螺栓、螺母,其螺纹应完整无损,润滑良好。应依据法兰尺寸、力矩大小采用力矩扳手紧固螺栓。
16.在传感器邻近管道进行焊接或火焰切割时,要采用隔离措施,防止衬里受热,且必须确认仪表未通电运行,防止损坏仪表。
电磁流量计安装方式
应安装在水平管道较低处和垂直向上处,避免安装在管道的*高点和垂直向下处。
应安装在管道的上升处。
在开口排放的管道安装,应安装在管道较低处。若管道落差超过 5m,在传感器的下游安装排气阀且传感器的下游应有一定的背压。
应在传感器的下游安装控制阀和切断阀,而不应安装在传感器上游。
传感器绝对不能安装在泵的进口处,应安装在泵的出口处。
在测量井内安装流量计的方式:1.入口 2.溢流管 3. 清洗孔 4.入口栅 5. 短管 6.流量计 7.出口 8.排放阀
二、液体涡轮流量计
液体涡轮流量计概述
涡轮流量计是速度式流量仪表中的一种,也叫叶轮式流量计,以动量矩守恒原理为基础。
涡轮流量计的结构见右边图 1-1 和图 1-2,流体在管道中流动时冲击涡轮叶片,使涡轮旋转,涡轮的旋转速度随流量的变化而变化,*后从涡轮的转数求算出流量值,在二次仪表上进行计数和显示,可反映出瞬时流量和累积流量(或称总量),也可转换成标准信号进行远传。此外,传感器输出的脉冲频率信号可以单独与计算机配套使用,由计算机代替流量显示仪表实现密度或温度、压力补偿,显示流体体积流量或质量流量。是目前流量仪表中比较成熟的高准确度仪表之一。
液体涡轮流量计部件组成
通常涡轮流量计由整流器、仪表管段、传感器和前置放大器构成。
整流器是为了消除或减少流动中的漩涡流、偏心流等各种非轴对称流和脉动流而设置于流量计前端管道中的装置。
仪表管段是指包括整流器、上下游直管段以及流量计在内的配管部分。
传感器是把转子的转动转换成电信号的装置。通常把涡轮流量计中感知流体流速的涡轮及其组合(包括前后导流架、轴承、壳体及前置放大器)统称为涡轮流量传感器。
前置放大器是为了传送传感器的电信号而对其进行放大、整形,从而得到输出信号的装置。将输出信号的信号处理、转换部分称为二次仪表或显示仪表。
液体涡轮流量计工作原理
流体通过传感器壳体时,由于叶轮的叶片与流向有一定的角度,流体的冲力使叶片具有转动力矩,克服摩擦力矩和流体阻力之后叶片旋转,在力矩平衡后转速稳定,在一定的条件下,转速与流速成正比,由于叶片有导磁性,它处于信号检测器(由永久磁钢和线圈组成)的磁场中,旋转的叶片切割磁力线,周期性的改变着线圈的磁通量,从而使线圈两端感应出电脉冲信号,此信号经过放大器的放大整形,形成有一定幅度的连续的矩形脉冲波,可传至显示仪表,显示出流体的瞬时流量或累积流量。
在一定的流量范围内,脉冲频率 f 与流经传感器的流体的瞬时流量 Q 成正比,流量方程为:
式中 qv —— 流体的瞬时流量(工作状态下)m3/h ;
f —— 脉冲频率,Hz;
K —— 传感器的仪表系数 m-3 ,由校验单给出。
每台传感器的仪表系数由我公司填写在检定**中,K 值设入配套的显示仪表中,便可显示出瞬时流量和累积总量。
液体涡轮流量计产品特点与材质
本公司产品的各项零部件均采用高精度的数控机床加工成型,具有一致性好,产品质量稳定,各项指标均优于同类国标要求。
传感器阀体采用国标 304 不锈钢制作,法兰采用 HG20593-2009、PN16 标准;
前后导向支架选用 304 不锈钢精密铸造成型,表面光洁度高,对流体通过时阻力小,与阀体紧密配合,在大流量通过时无噪声。
轴承选用高品质硬质合金轴承,耐磨蚀、耐腐蚀、寿命高。
叶轮选用高导磁不锈钢材料,整体式设计,经过高精密加工中心的一道道精雕细琢,品质优良,从而保证了整机的性能要求。
二次仪表选用国内知名厂家的产品,以确保整机在使用中的稳定性和精准性。
液体涡轮流量计适用场合
我公司研制生产的 LWGY 型涡轮流量计是在吸收国内外流量仪表的先进技术并结合实际使用情况加以优化设计而成的新一代涡轮流量计,广泛应用于测量封闭管道中与不锈钢 1Cr18Ni9Ti、2Gr13、刚玉 Al2O3和硬质合金不起腐蚀作用,且无纤维、颗粒等杂质,工作温度下运动粘度小于 5*10-6m2/s 的液体,对于运动粘度大于 5*10-6m2/s 的液体,可对流量计进行实液标定后使用。若与具有特殊功能的显示仪表配套,还可以实现定量控制、超量报警等功能,是流量计量和节能的理想仪表。与相应的流量积算仪表、现场显示表等配套可用于测量液体的流量和总量。它被广泛用于石油、化工、冶金、科研、国防、计量等领域的计量、控制系统。
如用户需用特殊形式的传感器,可协商订货,需防爆型传感器时,在订货中加以说明。
液体涡轮流量计规格代号与仪表参数
1 规格代号的表示方法
LWGY 型涡轮流量传感器型号和规格代号表:
2 仪表参数
传感器的公称通径、流量范围、流体温度、公称压力、环境温度、相对湿度、*大压力损失表:
液体涡轮流量计产品特点
本公司生产的涡轮流量计主要有以下特点:
1 优点
①准确度高。涡轮流量计的测量精度一般为±0.25%R~±0.5%R,高精度型可达±0.15%R。在线性流量范围内,即使流量有所变化也不会降低累积准确度。
②测量范围宽。*大和*小线性流量比通常为 6:1~10:1,有的大口径流量计甚至可达 40:1,故适宜流量大幅度变化的场合。
③重复性好。短期重复性可达 0.05%~0.2%,由于具有良好的重复性,因此在贸易结算中是优先选用的流量计。
④压力损失小。流通能力大(同样口径可通过的流量大)。
⑤耐高压。由于外形简单并且采用磁电感应结构,仪表壳体上无需开孔,容易实现耐高压设计,可用于高压液流的测量。
⑥数字信号输出。传感器输出的是与流量成正比的脉冲频率信号(即数字信号),易于远传,因此适用于总量及瞬时流量的计量与控制,信号的抗干扰能力也较强?;竦玫男藕牌德矢?,信号分辨率强。
⑦安装维修方便。结构简单轻巧,安装维护方便。因为无滞留部分,内部清洗简单。如发生故障,并不影响管道内流体的输送。
⑧适用范围广?;旧衔餐残紊杓?,容易适应高温、高压的要求和低温流体的测量;
⑨耐腐蚀。传感器采用国标不锈钢抗腐蚀材料制作,耐腐蚀性能好。
2 局限性
①不能长期保持校准特性,需定期校验。对于贸易储运等有高准确度测量要求的,*好配备现场校验设备,可定期校验以保持其特性。
②不太适宜高黏度型介质。对黏度变化反应敏感。介质黏度增大使流量计测量下限值提高,范围度缩小,线性度变差。
③仪表受来流流速分布畸变和旋转流影响较大,传感器上下游所需直管段较长,如安装空间受限制,可加装流动调制器(整流器)以缩短直管段长度。
④对被测介质清洁度要求较高。
液体涡轮流量计外形尺寸参数
液体涡轮流量计安装方法
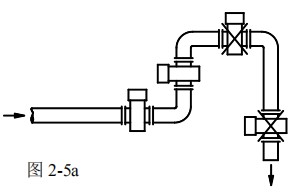
涡轮流量传感器的安装布置简图如图 6-1。
涡轮流量计在出厂时将流量传感器、检测部件、流量显示仪表等组件分开包装,在现场安装的步骤如下:
①检查传感器、检测部件、流量显示仪表的出厂编号(或仪表系数)是否一致,切不可将不同出厂编号(或仪表系数)的组件混合安装,以免影响测量准确度。
②按安装要求将传感器组件装在管路上。
③用螺纹连接方式将检测部件固定在传感器组件上。
④在传感器壳体上安装流量显示仪表组件(整体安装),或将流量显示仪表安装在传感器附件的管路上。
液体涡轮流量计的安装
1.在安装涡轮流量传感器时,必须保证满管安装,即管道中充满流体。否则流量测量会受到影响,导致测量误差。水平安装时如图 6-2 示意安装,垂直时如图 6-3 示意安装。
2.若流量传感器安装位置位于管线的低点,为防止流体中杂质沉淀滞留,应在其后的管线安装排放阀,定期排放沉淀杂质。
3.流量计一般水平安装,要垂直安装时需在订货时说明。
4.流量传感器不应装在水平管线的*高点,以免管线内聚集的气体(如停流时混入空气)停留在流量传感器处不易排出而影响测量。正确安装参见图 6-4 的方式。
5.传感器的安装方式根据规格不同,采用螺纹或者法兰安装。严禁在流量计壳体上进行焊接。焊接时必须将流量计拆离管线。
6.安装流量计前应将管道内的杂物、焊渣、粉尘清理干净。
7.在需要连续运行不能停流的场合,为了检修时不致影响流体的正常输送,建议在流量传感器的安装处,按图 6-1 设置旁通管路和可靠的截止阀,测量时应保证旁通管路无泄漏。
8.流量计安装时,其上、下游应根据使用说明书的要求配置相应长度的直管段。传感器上游端至少有 20 倍公称通径长度的直管段,下游端应不少于 5 倍公称通径长度的直管段。
9.为保证流量计的使用寿命,必须安装过滤器。对于不能停流的,应并联安装两套过滤器,轮流清除杂质,或选用自动清洗型过滤器。
10.安装时注意流体方向,不得反向安装。
11.需要安装流量调节阀的场合,调节阀应安装在流量计的下游处,以减少来自上游的流量干扰,利于流量的调节稳定。上游侧的截止阀测量时应全开,且这些阀门都不得产生振动和向外泄漏。压力表可装在上下游进出口处,温度计应装在下游 5DN 处。对于可能产生逆向流的管线应加装止回阀以防止流体反向流动。
12.流量传感器露天安装时,请做好遮阳和防雨淋措施。
13.流量计外壳设有接地端子,应可靠接地,但不得与强电系统地线共用。
14.现场安装、维护必须遵守“有爆炸性气体时勿开盖”的警告语,并在开盖前关掉外电源。
15.拆装流量计时,对磁感应部分不能碰撞。
16.投入运行前先进行仪表系数的设定。仔细检查,确保仪表接线无误,接地良好,方可送电。
17.涡轮流量计所安装的管道不得对其施加任何应力。
18.进行管道耐压试验时,涡轮流量计不得安装在管道上。
19.流量计显示仪表应可以转动一定角度。
三、椭圆齿轮流量计
椭圆齿轮流量计概述
椭圆齿轮流量计是用于管道中液体流量连续或间断测量和控制的容积式计量仪表。它具有量 程范围大、准确度高、压力损失小、粘度适应性强、能测量高温高粘液体、标定方便、安装建议等诸多优点。适用于石油、化工、化纤、交通、商贸、食品、医药卫生等部门的流量计量。
LC 系列椭圆齿轮流量计装有指针和字轮累积装置,可现场直接显示流经管道内的液体流量和 瞬时流量。在计数机构中附加发讯装置与电显仪表配套可实现累积、定量和瞬时流量远传集中控制。 加装散热器或椭轮欠齿可测量高温、高粘液体。
不同的液体(酸、碱、盐、有机溶液等)流量计主体可选择不同的材质制造。
椭圆齿轮流量计结构与工作原理
椭圆齿轮流量计由流量变送器和计数机构组成。变送器与计数机构之间加装散热器,则构成高 温型流量计。送变器由装有一对椭圆齿轮转子的计量室和密封联轴器组成,计数机构则包含减速机 构、调节机构、计数器、发讯器。
计量室内由一对椭圆齿轮与盖板构成初月形空腔作为流量的计量单位。椭圆齿轮靠流量计进出 口压力差推动而旋转,从而不断地将液体经初月形空腔计量后送到出口处,每转流过的液体是初月 形空腔的四倍,由密封联轴器将椭圆齿轮转的总数以及旋转的快慢传递给计数机构或发讯器,便可 知道通过管道中液体总量和瞬时流量。
1.各种计数器功能及代号
2.型号及主要零件材质
*如有特殊需要请另行注明
椭圆齿轮流量计性能(误差与压力损失曲线)
解释:1 图中各种不同液体可用精度调节装置将流量计误差调整在 0 轴上下,使误差达*佳值。
2 任何液体缩少流量量程比情况下,用精度调节装置可提高流量计精度。
椭圆齿轮流量计技术参数
1 铸铁型、铸钢型、不锈钢型椭圆齿轮流量计
2 高粘型椭圆齿轮流量计
3 高精度椭圆齿轮流量计
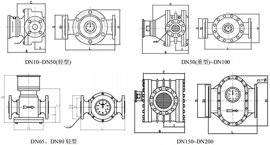
椭圆齿轮流量计外形尺寸
1 铸铁型椭圆齿轮流量计外形尺寸
型号:LC—A、LC—NA
2 铸钢型外形尺寸
型号:LC—E、LC—NE、 (外形同上)
*DN10/DN50(轻型)/DN65/DN80(轻型)法兰尺寸为 1.6MPa 标准;其余口径为 6.4MPa 标准;
3 LC—B 型不锈钢椭圆齿轮流量计外形尺寸(单位:mm)
*高温型椭圆齿轮流量计外形尺寸:DN15~DN50(轻型),B 尺寸按上表数据加 100mm 热延伸管;DN50 (重型)~DN200,B 尺寸按上表尺寸加160mm 热延伸管,其余尺寸同上表相应尺寸。
椭圆齿轮流量计的安装使用
1 流量计前应安装配套过滤器,且配套过滤器的出口紧接流量计的入口,两者本体上箭头指向 与液体流向一致。
2 当被测液体含有气体时,流量计前应安装消气过滤器。
3 不论管路是垂直还是水平安装,但流量计中的椭圆齿轮应安装成水平位置(即表度盘应与地 面垂直)。
4 流量计在正确安装情况下,如果不易看清读数,可把计数器转向 180 度或 90 度均可。
5 新流量计在安装前先用竹棍从出口处把椭圆齿轮推几次,如发现不动,可以用柴油浸泡(避免 出厂校验后内存沉淀物)。
6 流量控制阀应安装在流量计进口处,开闭阀门装在出口处,使用开闭阀时缓慢启动,不要突 然开启以防“水击”现象。
7 在新管道上安装流量计前,管道需要冲洗,冲洗时采用直管段(替代流量计位置)防止焊渣, 杂物等进入流量计。
8 严禁用水校验铸铁、铸钢材质的流量计。
9 流量计在使用时流量大小不得超过技术要求.流量计工作在*大流量 50—80%为优。
10 被测液体如果具有化学腐蚀性,须选用不锈钢材质的流量计。
椭圆齿轮流量计常见故障原因,排除方法
椭圆齿轮流量计型号标识
四、超声波流量计
超声波流量计概述
本说明书只作为简易操作手册,用户需了解详细操作欢迎来电咨询。
新一代产品增加了以下特点和功能:
1、硬件??榛杓?,生产及维修操作简易;
2、电气隔离 RS485 接口,含 MODBUS、M-BUS 等 10 多种通讯协议;
3、电气隔离 0-20mA 或 4-20mA 电流环输出;
4、带有热量测量功能;
5、8-36VDC,220VAC 供电方式可??;
6、具有手动累积器及批量控制器等功能;
7、年月日累积记录功能,可记录前 512 天(每天)、前 128 个月(每月)的累积流量及累积热量等数据;
8、三路精度为 0.1%的模拟输入;
使用前请先了解产品的工作电源和型号,防止误接造成不正常工作或损坏。
超声波流量计系列产品原理、种类及优势
本公司超声波流量计系列产品可选配外夹式、插入式、管段式等传感器,解决了原有产品小流量漂移问题。与机械水表相比具有无活动部件,始动流量低,量程比宽,测量精度高, 使用寿命长等特点。超声波在流动的流体中传播时就载上流体流速的信息。因此通过接收到的超声波就可以检测出流体的流速,从而换算成流量。根据检测的方式,可分为传播速度差法、多普勒法、波束偏移法、噪声法及相关法等不同类型的超声波流量计。超声波流量计是近十几年来随着集成电路技术迅速发展才开始应用的一种。
本公司生产的超声波流量计种类多。有非接触式仪表,适于测量不易接触和观察的流体以及大管径流量,众所周知,工业流量测量普遍存在着大管径、大流量测量困难的问题,这是因为一般流量计随着测量管径的增大会带来制造和运输上的困难,造价提高、能损加大、安装不仅这个缺点,超声波流量计均可避免。因为各类超声波流量计均可管外安装、非接触测流或者插入式安装,仪表造价基本上与被测管道口径大小无关,而其它类型的流量计随着口径增加,造价大幅度增加,故口径越大超声波流量计比相同功能其它类型流量计的功能价格比越优越,使用超声波流量计不用在流体中安装测量元件故不会改变流体的流动状态,不产生附加阻力,仪表的安装及检修均可不影响生产管线运行因而是一种理想的节能型流量计,被认为是较好的各类管径流量测量仪表。在发电厂,化工厂,钢铁厂等中,用手持式或者便携式超声波流量计测量水轮机进水量、汽轮机循环水量等大管径流量,比过去的皮脱管流速计方便得多。另外,超声测量仪表的流量测量准确度几乎不受被测流体温度、压力、粘度、密度等参数的影响,又可制成非接触及便携式测量仪表,故可解决其它类型仪表所难以测量的强腐蚀性、非导电性、放射性及易燃易爆介质的流量测量问题。另外,鉴于非接触测量特点, 再配以合理的电子线路,仪表可适应多种管径测量和多种流量范围测量。管道使用检测流量时,超声波流量计通常有外夹式安装,插入式安装和管道式安装,在现场完成密封不可开孔时,可推荐使用外夹式安装,在现场不方便剖开管道时,可推荐使用插入式安装,在使用现场方便开口的情况下,可推荐使用管道式超声波流量计,焊接法兰,对夹法兰即可。 超声波流量计的适应能力也是其它仪表不可比拟的。超声波流量计具有上述一些优点因此它越来越受到重视并且向产品系列化、通用化发展,现已制成不同声道的标准型、高温型、 防爆型仪表以适应不同介质,不同场合和不同管道条件的流量测量。
超声波流量计技术特点
1、测量精度:1.0%;
2、工作电源:隔离 DC8-36V 或 AC85-264V;
3、功 耗:工作电流 50mA(不连接键盘和蜂鸣器不响的条件下);
4、可选输出:1 路标准隔离 RS485 输出;1 路隔离 4-20mA 或 0-20mA 输出;双路隔离 OCT 输出(OCT1 脉冲宽度 6-1000ms 之间可编程,默认 200ms);1 路双向串行外设通用接口,可以直接通过串联的形式连接多个诸如 4-20mA 模拟输出板;
5、可选输入:三路 4-20mA 模拟输入回路;
6、显 示:2×10 汉字背光显示器(中英文双语可选择);
7、操 作:16 按键窗口化操作;
8、其它功能:自动记忆前 512 天,前 128 个月,前 10 年正负净累积流量自动记忆前 30 次上、断电时间和流量并可实现自动或手动补加,并可以通过 MODBUS 协议读出;
9、流量传感器:外夹式;
超声波流量计操作与显示
产品采用了窗口化软件设计,所有输入参数、一起设置和显示测量结果统一细分为100多个独立的窗口表示,使用者通过“访问”特定的窗口即可达到输入参数、修改设置或显示测量结果的目的,窗口采用两位数字(包括+号)编号,从00~99,然后是+0、+1等。窗口号码或称窗口地址码,表示特定的含义。
16键键盘的操作与显示(按键面板如下图所示)
菜单一览表
超声波流量计安装步骤(分为三步骤)
*一步骤:快速输入核对所安装管道参数
*二步骤:接线(接主机线和探头线)
一.主机部分接线如图所示:
(1)电源接线
电源接线按照接线图标识:有 AC 220V 和 DC 24V 两种电源,任选一种
(2)传感器接线
下游探头接:从左到右 1 2 3 接线端子,GND DN- DN+,屏蔽线通常可不接,通常默认只需要接 DN- DN+ (从左到右 2 号端子 3 号端子)
上游探头接:从左到右 4 5 6 接线端子,GND UP- UP+,屏蔽线通??刹唤?,通常默认只需要接 UP- UP+ (从左到右 5 号端子 6 号端子)
(3)4-20mA 电流输出接线
4-20mA 接:AO 和 24V-两个端子,AO 端子接 4-20mA+ 24V-端子接 4-20mA-
(4)485 通讯接线
485 通讯接:485 OUT A 485 OUTB
(5)热量表接线
热量功能供水接:TX1 T1 GND;热量功能回水接:TX2 T2 GND;(供水回水 GND 共接)
(6)继电器接线
RELAY+ RELAY-
二.探头部分接线如图所示:
屏蔽线通常可不接,通常默认只需要接 + - 两个端子
*三步骤:选择安装位置,打磨管道,安装探头
安装传感器,*先选择欲安装位置(安装位置要满管稳流,离泵和弯头要远?。?,选定后, 使用角磨机或者粗砂纸将欲安装传感器的区域抛光,除掉锈迹油漆或防锈层,露出管道金属 本质,然后在传感器上涂抹足够的耦合剂,*后把传感器紧贴在管壁上并捆绑好,夹具(不 锈钢带)应固定好,使之受力均匀;注意传感器和管壁之间不能有空气泡和沙砾等脏东西。
安装距离
外夹式传感器安装间距以两传感器的*内边缘距离减去 35mm 为准(参见安装距离定义 示意图),间距的计算方法是*先在菜单中输入所需的参数以后,查看窗口 M25 所显示的数 字,并按此数据减去 35mm(Z 法安装)安装传感器。
安装方式
外夹式传感器的安装方式共有三种。分别是 Z 法、N 法和 W 法。(默认为 Z 法安装!) Z 法
Z 法是*常用的安装方法,特点是超声波在管道中直接传输,无反射(称为单声程), 信号衰减损耗*小。Z 法可测管径范围为 15mm-6000mm。现场实际安装时,都选用 Z 法(这 样测得信号*大)
注意:
(1)此图为顶视图,两个探头在现场安装时是管道两侧,不是上下?。?!
(2)参数设置正确后,实际探头安装距离为表里 M25 表示的安装距离减去 35mm!??!
























































